













| Tank volume:56000L.0 LNG Tanker Truck with CCC and ISO9001 Certificate | ||||
| basic parameter | ||||
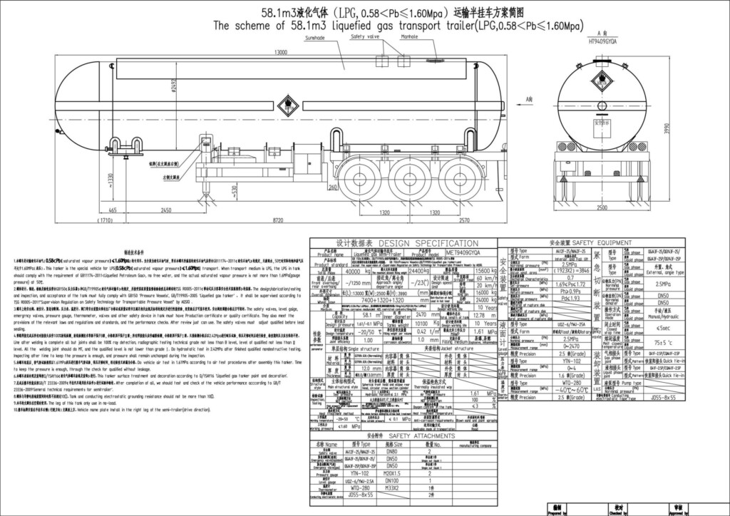
| Machine weight (Kg) | 16100 | Rated contained mass (Kg) | 23900 | |
| Gross Vehicles Weight (Kg) | 40000 | External Dimensions | 13000x2500x3950 | |
| (length×width×height)(mm) | ||||
| Water capacity | 56000 L | 0.426 | ||
| Unit volume filling weight(KG/L) | ||||
| Design temperature(°C) | -196 | Design pressure | 0.64Mpa | |
| Liquefied natural gas(LNG) | Maximum allowable work pressure | ≤0.64Mpa | ||
| Applicable shipping medium | ||||
| Inside tank | 0Cr18Ni9/SUS304 | Tanks shell material | 16MnR/Q235-B | |
| material | ||||
| Adiabatic way | Vacuum \ multi-layer adiabatic | Adiabatic materials | Aluminum foil, adiabatic paper | |
| The relief valve is opened pressure(Mpa) | 0.74~0.77 | |||
| Main configuration | ||||
| Items | Data | Items | Data | |
| (BPW 10t)Shaft | 3 set | Tire (12R22.5) | 12+1 set | |
| Traction pin | 1 set | JOST Support leg | 2 set | |
| Steel mechanical damping system | 1 set | Gas transmission brake system | 1 set | |
| 24V circuit system | 1 set | ABS | 1 set | |
| outrigger | 1 set | basic hand tool | 1 set | |
| liquidometer | 1 set | Relief valve | 2 set | |
| Pressure instructions thermometer | 1 set | Fire extinguisher | 2 unit | |
| Pressure gauge | 1 set | Anti-static drag ground | 1 unit | |
| Valve box | 1 unit | toolbox | 1 unit | |
| description of products | ||||
| This kind of vehicles is used to transport liquefied natural gas (LNG) specially.It has reasonable design, mature technology, safe and reliable. The design, manufacturing and inspection of our products are in accordance with the national standards:GB150, JB/T4783-2007, this standard and international dangerous road transport standards is equal . We can design different size tanks for users to correspond with local vehicles loaded weight standard. | ||||
| Production Machinery: | ||||
| Machine Name | Brand & Model No. | Quantity | Number of Year(s) Used | Condition |
| CNC Cutting Machine | GS/D-6000, GS-Z-6000 | 4 | 5 | Acceptable |
| Tank Seal Head Molding Machine | ZX-3000 | 1 | 5 | Acceptable |
| Plate Jointing Auto Welding Machine | PBF-10500 | 2 | 3 | Acceptable |
| Tank Rolling & Molding Machine | ZZGCX-2800 | 1 | 3 | Acceptable |
| Tank Circumferential Welding Machine | GCH-1 | 6 | 0.3 | Acceptable |
| Vacuum Pump | ZJ-600 | 6 | 3 | Acceptable |
| Auto Plasma Welding Machine | WME-500 | 2 | 5 | Acceptable |
| Rolling Machine | W11-16*2500, W11SNC-30*3000,W11-8*2500 | 4 | 5 | Acceptable |
| Plate Shearing Machine | QC12Y-16*32, QC-12Y-12/32 | 2 | 3 | Acceptable |
| Hydraulic Bending Machine | W67K-400/4, WA67Y-200/4, W67K-600/6 | 3 | 3 | Acceptable |
| Shot Blast Machine | FFPW-604 | 2 | 5 | Acceptable |
| Spraying Line | No Information | 1 | 5 | Acceptable |
| Testing Machinery: | ||||
| Machine Name | Brand & Model No. | Quantity | Number of Year(s) Used | Condition |
| Glossiness Meter | JFL-B | 1 | 5 | Acceptable |
| Ultrasonic Thickness Meter | TT330 | 3 | 6 | Acceptable |
| Film Thickness Meter | TT260 | 1 | 4 | Acceptable |
| Four-wheel Locator | No Information | 5 | 7 | Acceptable |
| Five-wheel Locator | No Information | 1 | 6 | Acceptable |
| X-ray Flaw Detector | XXQ-2006 | 2 | 2 | Acceptable. |
| Export Market Distribution: | ||
| Market | Revenue(Previous Year) | Total Revenue (%) |
| South America | confidential | 2 |
| Southeast Asia | confidential | 2 |
| Africa | confidential | 10 |
| Mid East | confidential | 4 |
| Eastern Asia | confidential | 3 |
| Central America | confidential | 4 |
| South Asia | confidential | 5 |
| Domestic Market | confidential | 70 |

Shengrun GAS LPG tanker, is a special vehicle used for road transportation of liquefied gases (liquefied petroleum gas, propane, propylene, liquid ammonia, butadiene, isobutane, butane, isobutylene, etc.). Our LPG tank trailer choose carbon high-tensile steel material, welded by automatic Submerged-Arc processes. We adopt world famous brand of parts, like JOST, WABCO braking valve etc.
LPG Tanker trailer will be inspected before painting ensure every detail in good condition.
Established in 1982, we are a professional manufacturer of semi trailers, provide customized service, design as the customers’ every request.
We have a professional trailer design department , rich production experience, short delivery time. Our factory has passed ISO9001 quality system certification. Our phone service 24 hours service for you. Our cooperation can be ODM or OEM mode.
Transportation
We usually adopt shipping by bulk cargo, flat rack, container container and Roro ship. We will arrange the most cost-effective transportation mode according to the quantity of products. All trailers will be polished with wax before shipping. We guarantee that all products have gone through strict inspection and are in good condition before shipment. We strive for 100% customer satisfaction on every sale we close.
Delivery time:10-20 working days after payment receipt confirmed (based on actual quantity).
Packing:Standard export packing, orcustomized packing as your request.
Professional goods shipping forwarder.

After-sales service
1.12months for main parts (engine, axle, body and beam, etc).
2. Technical Support by phone Whatsapp or email around the clock.
3.Lifelong Parts Supports.
4. Engineer available service oversea.

FAQ:
Q1. Are you a manufacturer?
Yes, we have been in special vehicle manufacturing and marketing for over 25 years.
Q2. What markets do your vehicle export to?
Europe, North & South America, South-East Asia, Africa, Oceanica, Middle East countries etc.
Q3. What information should I let you know if I want to get a quotation?
Please let us know your purpose, road condition, cargo type, tons of your cargo, dimensions of the trailer, quantity etc. The more info you provide, the more accurate model and the price you will get.
Q4. Is it available to print our own brand on the vehicle?
Totally acceptable as you wish.
Q5. How can I get the price of your vehicle?
You can connect with us through any contact information. Our personalized service person will respond to you within 24 hours.
Copyright © 2025 SHANDONG SHENGRUN AUTOMOBILE CO., LTD. All Rights Reserved.